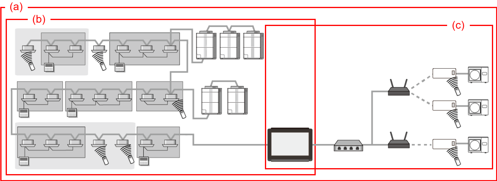
Refrigerant system construction
This page explains the refrigerant system and control system that make up the air conditioning system.

| (a) | Air conditioning system |
This is a system composed of units connected with the same transmission cable. It contains indoor units, outdoor units, and relevant control units (the AIRSTAGE Cloud Edge Supervisor and standard remote controllers). |
|
| (b) | Variable refrigerant flow (VRF) system |
It is a large multi-split air conditioning system. |
|
| (c) | Split system |
| It is a single-split or multi-split air conditioning system. One outdoor unit is connected to one or more indoor units. In the split system, the optional WLAN adapter is necessary for each indoor unit. |
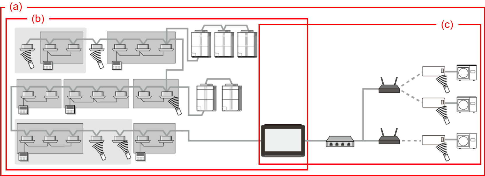
VRF system construction

| (a) | Variable refrigerant flow (VRF) system |
| It is a large multi-split air conditioning system. One or more outdoor units are connected to multiple indoor units. |
|
| (b) | AIRSTAGE Cloud Edge Supervisor (this product) |
|
This is a remote controller that allows centralized control of multiple devices. It can control the devices in the air conditioning system by all together, by Zone, or by the individual. |
|
| (c) | Refrigerant system |
| This is a system composed of units in one refrigerant circuit. It contains indoor units, outdoor units, and relevant control units (the AIRSTAGE Cloud Edge Supervisor and standard remote controllers). | |
| (d) | Zone |
|
This is an aggregation of indoor units and relevant devices. |
|
| (e) | Remote controller group |
| This is a group of indoor units controlled by the same standard remote controller. | |
| (f) | Standard remote controller |
| This is a remote controller that controls indoor units. There are 4 kinds of standard remote controllers: wired remote controller, wireless remote controller, simple remote controller, and external switch controller. | |
| (g) | Outdoor unit |
| (h) | Transmission cable |
| This is a cable connecting outdoor units, indoor units, and AIRSTAGE Cloud Edge Supervisor. It transmits electric power and signals. | |
| (i) | Indoor unit |
| (j) | Remote controller cable |
| This is a cable connecting wired remote controllers and indoor units. It transmits signals from the remote controllers and responses from the indoor units. |
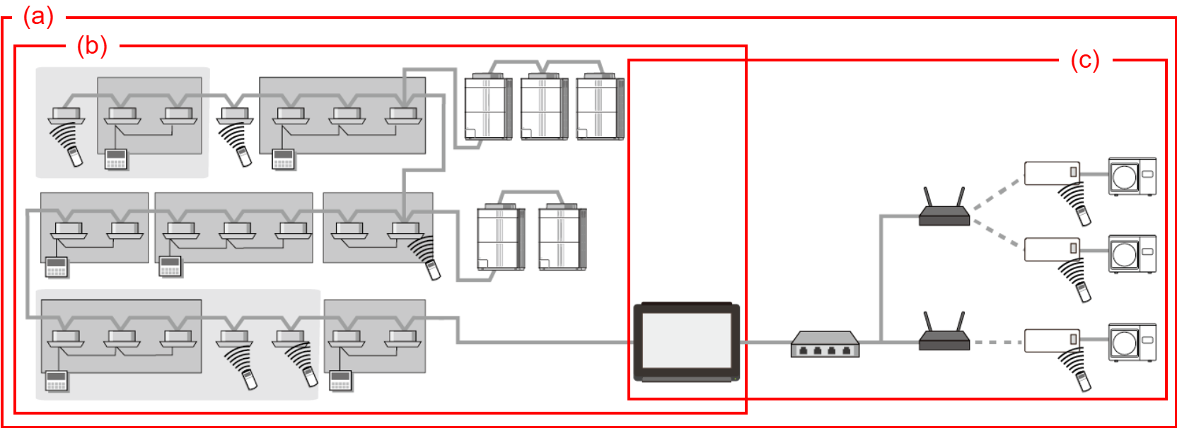
Split system construction

| (a) | Split system |
| It is a single-split or multi-split air conditioning system. One outdoor unit is connected to one or more indoor units. | |
| (b) | Subnet |
| All of the AIRSTAGE Cloud Edge Supervisor, HUBs, access points, and WLAN adapters should be in the same subnet. | |
| (c) | AIRSTAGE Cloud Edge Supervisor (this product) |
|
This is a remote controller that allows centralized control of multiple devices. It can control the devices in the air conditioning system by all together, by Zone, or by the individual. |
|
| (d) | LAN cable |
| (e) | HUB |
| (f) | Access point |
| If the access point has the DHCP server function, deactivate the function. The AIRSTAGE Cloud Edge Supervisor works as a DHCP server and to controls the network information of the WLAN adapters. | |
| (g) | Zone |
|
This is an aggregation of indoor units and relevant devices. |
|
| (h) | Standard remote controller |
| This is a remote controller that controls indoor units. There are 4 kinds of standard remote controllers: wired remote controller, wireless remote controller, simple remote controller, and external switch controller. | |
| (i) | Indoor unit |
| (j) | Outdoor unit |